Penyulingan dan Fraksinasi Minyak Sawit

minyak sawit mentah
minyak sawit mentah
Pengilangan
Pengilangan
RBDPO
RBDPO
Fraksinasi
Fraksinasi
Stearin Sawit
Stearin Sawit
Palm Olein
Palm Olein

Mesin Penyulingan Minyak Sawit

Tipe 1: Mesin Penyulingan Minyak Sawit Tipe Batch

Cocok untuk pabrik penyulingan minyak sawit skala kecil

Keuntungan:

Investasi Rendah, Jejak Kecil, Mudah Dioperasikan

  • Pemanas Listrik
    Pemanas Listrik

    Kapasitas Pemrosesan:

    0,5t/h, 1t/h, 2t/h

  • Pemanasan Minyak Konduksi
    Pemanasan Minyak Konduksi

    Kapasitas Pemrosesan:

    1t/h, 2t/h, 3t/h, 5t/h, 10t/h, 20t/h

Bagan Alir Proses Penyulingan Minyak Tipe Batch 1-5t/hari

Tipe 2: Mesin Penyulingan Minyak Sawit Semi Kontinyu

Kapasitas Pemrosesan: 5-50t/d

Cocok untuk pabrik minyak skala menengah

Mesin Penyulingan Minyak Sawit Semi Kontinyu
Keuntungan: Bagian penghilang bau dilakukan secara terus menerus, efisiensinya lebih tinggi, lebih baik memengaruhi
Bagan Alir Proses Penyulingan Minyak Semi-Kontinyu 20t/hari

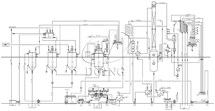
Tipe 3: Mesin Penyulingan Minyak Sawit Berkelanjutan Penuh

Kapasitas Pemrosesan: ≥30t/d

Cocok untuk pabrik minyak menengah dan besar

Mesin Penyulingan Minyak Sawit Sepenuhnya Berkelanjutan
Keuntungan: Seluruh proses penyulingan minyak sepenuhnya berkesinambungan, otomatisasi tingkat tinggi, produksi tinggi kapasitas, biaya tenaga kerja rendah
Bagan Alir Proses Penyulingan Minyak Berkelanjutan Penuh 30t/hari
Kiat: Selain memurnikan minyak sawit mentah menjadi minyak sawit olahan, ketiga jenis mesin pemurnian ini juga dapat memurnikan lainnya minyak mentah, seperti minyak mentah bunga matahari, minyak kedelai, kacang tanah- minyak t, minyak biji kapas, minyak kelapa, minyak lobak, minyak dedak padi, minyak bibit jagung, minyak zaitun, dll.

Tampilan Video 3D

Minyak Sawit Mentah —— Degumming —— Deasidifikasi —— Dekolorisasi (Pemutihan) —— Deodorisasi —— RBD Minyak kelapa sawit

Hubungi kami

Silakan tinggalkan kebutuhan Anda secara detail atau hubungi kami melalui 8613526627860 . Manajer penjualan profesional kami akan menghubungi Anda dalam waktu 24 jam. Informasi kontak Anda akan dilindungi!

  • QApa bahan baku Anda?
  • QBerapa ton yang ingin Anda proses per hari?
  • QMesin apa yang Anda inginkan? Atau persyaratan lain?
WhatsApp/Telp*:
E-mail *:
Negara :
Pertanyaan:

Mesin Fraksinasi Kelapa Sawit

RBDPO Mesin Fraksinasi Kelapa Sawit Mesin Fraksinasi Kelapa Sawit Palm Olein Stearin Sawit
Tangki Kristalisasi
Tangki Kristalisasi
Bagian Pendinginan
Bagian Pendinginan
Bagian Filtrasi
Bagian Filtrasi

Kapasitas Pemrosesan: 1-1200t/hari

Cocok untuk pemrosesan mendalam minyak sawit olahan.

Mendukung kustomisasi pemrosesan suhu yang berbeda, seperti 10℃-18℃, 24℃, 28℃, 30℃-33℃, 44℃, dll.

Tampilan Video 3D

Minyak Sawit RBD —— Pra-Pemanasan —— Kristalisasi —— Filtrasi —— Palm Olein Palm Stearin

Produk Rekomendasi Lainnya

Hubungi kami

Silakan tinggalkan kebutuhan Anda secara detail atau hubungi kami melalui 8613526627860 . Manajer penjualan profesional kami akan menghubungi Anda dalam waktu 24 jam. Informasi kontak Anda akan dilindungi!

  • QApa bahan baku Anda?
  • QBerapa ton yang ingin Anda proses per hari?
  • QMesin apa yang Anda inginkan? Atau persyaratan lain?
WhatsApp/Telp*:
E-mail *:
Negara :
Pertanyaan:

Kasus Proyek

Kasus Proyek Pemurnian Sawit
Indonesia
Kasus Proyek Pemurnian Sawit
Peru
Kasus Proyek Pemurnian Sawit
Kongo
Kasus Proyek Pemurnian Sawit
Thailand
Kasus Proyek Pemurnian Sawit
Nigeria
Kasus Proyek Pemurnian Sawit
Kenya
Kasus Proyek Pemurnian Sawit
Nigeria
Kasus Proyek Pemurnian Sawit
Uganda
Kasus Proyek Pemurnian Sawit
Nigeria
Kasus Proyek Pemurnian Sawit
Uganda
Kasus Proyek Pemurnian Sawit
Cina
Kasus Proyek Pemurnian Sawit
Zambia

Profil Perusahaan

Melakukan Perusahaan
Henan Glory Oils & Fats Engineering Co., Ltd., adalah anak perusahaan dari DOING HOLDINGS dan merupakan a perusahaan manufaktur mesin minyak yang komprehensif, mengintegrasikan desain proses, teknologi penelitian dan pengembangan, manufaktur, penjualan dan layanan purna jual, dan menyediakan pelanggan dengan solusi peralatan yang dipersonalisasi dan layanan produk siklus penuh.

Ruang Lingkup Bisnis:

Set lengkap pengepresan, pemurnian dan fraksinasi minyak sawit dan minyak inti sawit garis

Set lengkap pretreatment dan pengepresan biji minyak umum lainnya, ekstraksi pelarut, pemurnian, jalur musim dingin/dewaxing, dan penyimpanan, pengemasan, pengisian, laboratorium peralatan pengujian, dll.

Peralatan tunggal, seperti pengepres minyak, penghancur, pemipil, pemanggang, filter, dll.

MELAKUKAN Cabang Nigeria
MELAKUKAN Cabang Nigeria
Gudang Luar Negeri Nigeria
Gudang Luar Negeri Nigeria
Henan Glory Company secara aktif merespons B&R, memperdalam tata letak globalnya, dan menyiapkan a kantor cabang dan pusat pergudangan luar negeri modern di Negara Bagian Ogun, Nigeria, dan berkomitmen untuk menyediakan layanan perdagangan dan rantai pasokan yang efisien dan terlokalisasi untuk pasar Afrika.

Layanan Lokal Nigeria:

Respon Cepat
Respon Cepat
Solusi yang Disesuaikan
Solusi yang Disesuaikan
Inspeksi Peralatan Jarak Nol
Inspeksi Peralatan Jarak Nol
Penjemputan Lokal
Penjemputan Lokal

Sertifikat

Sertifikat

Hubungi kami

Silakan tinggalkan kebutuhan Anda secara detail atau hubungi kami melalui 8613526627860 . Manajer penjualan profesional kami akan menghubungi Anda dalam waktu 24 jam. Informasi kontak Anda akan dilindungi!

  • QApa bahan baku Anda?
  • QBerapa ton yang ingin Anda proses per hari?
  • QMesin apa yang Anda inginkan? Atau persyaratan lain?
WhatsApp/Telp*:
E-mail *:
Negara :
Pertanyaan:

Layanan kami

Layanan Pra-penjualan

1.Kunjungi bengkel produksi pabrik

2.Rencana konfigurasi peralatan satu-ke-satu

3.Rencanakan lokasi penempatan peralatan

Layanan Pra-penjualan
Layanan Penjualan

Layanan Penjualan

1.Periksa kondisi produksi mesin

2.Mengkomunikasikan kemajuan pembuatan peralatan

Layanan purna jual

1.Garansi satu tahun

2.Memandu instalasi dan commissioning peralatan

3.Pelatihan teknis

Layanan purna jual

LAYANAN 24/7

  • 2000

    Pelanggan kami

  • 80

    Negara Pengekspor

  • 50

    Insinyur Teknis

  • 100

    Profesional
    Tim Instalasi

  • 100K

    Niat
    Pelanggan

  • 24H

    Menyediakan
    Dukungan Teknis

MELAKUKAN HOLDING

Henan Glory Oils & Fats Engineering Co.,LTD

Hubungi kami

Silakan tinggalkan kebutuhan Anda secara detail atau hubungi kami melalui 8613526627860 . Manajer penjualan profesional kami akan menghubungi Anda dalam waktu 24 jam. Informasi kontak Anda akan dilindungi!

  • QApa bahan baku Anda?
  • QBerapa ton yang ingin Anda proses per hari?
  • QMesin apa yang Anda inginkan? Atau persyaratan lain?
WhatsApp/Telp*:
E-mail *:
Negara :
Pertanyaan: